三端保险丝在锂离子电池中的关键作用
一、三端保险丝在锂离子电池中的作用
三端保险丝,作为一种贴片安装元器件,在锂离子电池组中起着至关重要的角色。它被广泛应用于锂离子电池组的二次保护,以确保在面临过流与过压的威胁时能够迅速作出反应。
通过这种方式,三端保险丝有效地减少了锂离子电池因过充、过放或短路等故障而引发的起火或爆炸的风险,从而将电路与器件的损坏范围控制在最小。
二、三端保险丝产品的应用范围
三端保险丝产品应用范围广泛,包括笔记本电脑、手机、扫地机、无线对讲机、吸尘器、电动工具、平板电脑、电动自行车、充电宝、不间断电源以及便携储能等众多含有锂离子电池的产品中。
三、三端保险丝产品的原理说明

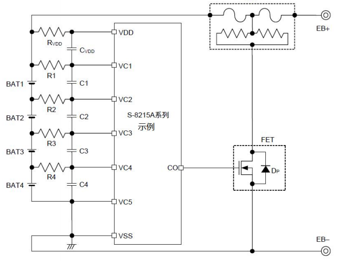
如上图所示,FET在锂离子电池正常充放电时是断开的,这时候三端保险丝中的保险丝是串联在总回路里,而发热体因为FET的开路而不参与到正常的工作中去。与FET连接的IC电压监测芯片会监测电芯(BAT1~BAT4)的任意一串的电压,当任意一串电芯的电压达到IC芯片的触发电压值,IC就会发出指令让FET导通,FET一旦导通,多串并的电芯电压就会突然施加在发热体上使发热体骤然发热,并使与发热体贴合较紧密的保险丝合金发生熔断。一旦保险丝合金熔断,发热体也就不再发热,整个电池包(PACK)就不能再充电和放电,保险丝通过自身的一次性熔断的特性,保护了锂离子电池,起到了防止爆炸、起火的重要作用。
四、金乌电子的三端保险丝产品系列
金乌电子独立研发、生产和销售目前市场主流的产品尺寸和额定电流型号,包括:
9550系列(额定电流30A、45A、60A)、
5432系列(额定电流30A)、
4030系列(额定电流12A、15A、22A)。
同一个系列并且同一个额定电流的产品,其差异主要在于发热体的电阻值大小不一样,因为电芯的串数越高,电池组的总电压越高,但使得合金正常熔断是要求发热体的功率在一定范围内更佳,所以既然电芯串数已定,电压已定,我们只要根据这个电压调整发热体的电阻值,就能使发热体的发热功率处于合适的使保险丝合金更快更好地熔断了。
五、三端保险丝产品的应用选型
金乌电子对三端保险丝产品的命名采用了简易的、易理解的方式,让客户可以更方便地选择适合的型号。只需要知道客户实际使用的领域、额定电流、锂电池的类型(三元锂还是磷酸铁锂)、电芯串数(电芯的并联不影响选型)即可确定产品的型号。
举例如下:
1、用在电动自行车上的,额定电流30A、14串、磷酸铁锂电池,首先根据应用领域可以确定用9.5*5.0mm的尺寸较佳(9.5*5.0尺寸的尺寸符为K),14串电芯,我们把14乘以4(每串电芯的电压数)得到56,磷酸铁锂我们为了和三元锂进行区分,把刚才得到的56减去1,得55,再加上金乌电子的公司标识符GS,最终得到型号为:GSK5530,金乌电子在出货时,为了给不同的客户作更好的差异化服务,再在GSK5530后面加上后缀,即得到特定客户的专有型号,如GSK5530-008。
2、用在手机上的作为超大电流快充锂电池上的,额定电流22A,2串,三元锂电芯,需要小尺寸的4.0*3.0mm(尺寸符为J),即得到适合的型号为GSJ0822,再根据不同的客户可能略有差异,在GSJ0822后加后缀,如GSJ0822-010,这些型号的命名都是符合UL认证的命名规范的。